Zum Hauptinhalt der Seite springen
Schnellbestellung
Anmelden
0 Artikel
Ihr Warenkorb ist leer.
Warenkorb ansehen
0 Artikel
Ihr Warenkorb ist leer.
Warenkorb ansehen
0
Navigation umschalten
Anmelden
Schnellbestellung
Home
/
Sortiment
/
Kategorien
/
Zerspanung
/
Spannmittel
/
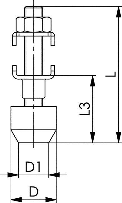
AMF Andrückschraube 6890
AMF Andrückschraube 6890
In 4 Ausführungen erhältlich
Ausführungen anzeigen
Beschreibung
Details
Bewertungen (0)
AMF Andrückschraube 6890
Please enable JavaScript to continue using this application.